產品簡介:
HPSG列通用型軟起動控制柜是以先進的智能化數字式電動機軟起動器為主要控制件并配有保護型主回路進線斷路器、旁路接觸器于一體 ,可實現多重保護的單臺電機控制裝置。
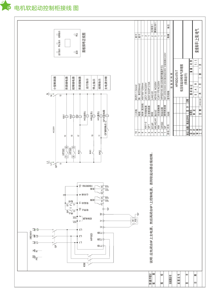
裝置內置HPISD型軟起動器,并設有起動,停止按扭及運行、停止、故障指示。裝置內留有遠控接點,遠控接點有起動、停止輸入接點、運行指示輸出接點、故障輸出接點(均為無源繼電器接點。具有短路保護、過載保護、過熱保護、斷相保護及大電流斷開功能。選用其它型號控制件裝置的控制功能見相應的軟起動說明書。
產品特點:
◆ 良好的人機交互式開放性設計
◆ 獨特的電機模糊算法,徹底解決機械沖擊,抖動問題
◆ 豐富的電機保護功能,延長電機的使用壽命
◆ 開放性程序設計,能根據客戶需求定制,有效節約客戶成本
◆ 負載數據信息的測量與反饋功能
規格:
50/60Hz±4Hz









